论坛风格切换
  • 14747阅读
  • 53回复

真心求教贴- 别鄙视我, 对我的CDT-15A仍然心有不甘,计划再次摩机...(受了点刺激) [复制链接]

上一主题 下一主题
只看该作者 40 发表于: 2010-02-03

可以试试把这个EMI的电容和电感用线短路掉,对比一下听感,这也是不花钱的玩法,不行,很容易复原。民用的产品,现在对EMI的标准很严格,厂商不加这个是通不过强制认证的。

完全明白了,原来加这个东西是为了通过强制认证的, Jason兄的知识面还真是广啊.
PMC TB2+ +  Melody H88MK2 + Spark CDT15A
HD600 + 欧博20b 耳放 + WK USB 解码器
只看该作者 41 发表于: 2010-02-03

不知兄看了这张图片有何感想。呵呵!
[图片]

我完全没有这个魄力,时间和能力这样摩机.
PMC TB2+ +  Melody H88MK2 + Spark CDT15A
HD600 + 欧博20b 耳放 + WK USB 解码器
只看该作者 42 发表于: 2010-02-03
就是乱了一些,灰尘大了一些,实验中,元件还要多很多的。

摩机实验通常是这样一个过程:

先别管体积和新旧,先搞出好的声音,然后,以这个为追求的目标,再开始重新调整元器件,直到元器件符合使用。
享受生活,轻轻松松玩音响
玩音响,玩的就是电流和振动。
只看该作者 43 发表于: 2010-02-03
这是网上的一个烧友的图片,我也是下不了这种决心。
只看该作者 44 发表于: 2010-02-03
OPA111 BM UK 运放已经到了,先听一段时间,感受一下,再决定下一步动作,饭还是要一口一口吃的.
在此谢过Jason!
PMC TB2+ +  Melody H88MK2 + Spark CDT15A
HD600 + 欧博20b 耳放 + WK USB 解码器
只看该作者 45 发表于: 2010-02-08
请教Jason:Re:真心求教贴- 别鄙视我, 对我的CDT-15A仍然心有不甘,计划再次摩机...(受了点刺激)

可以试试把这个EMI的电容和电感用线短路掉,对比一下听感,这也是不花钱的玩法,不行,很容易复原。民用的产品,现在对EMI的标准很严格,厂商不加这个是通不过强制认证的。


请教Jason:

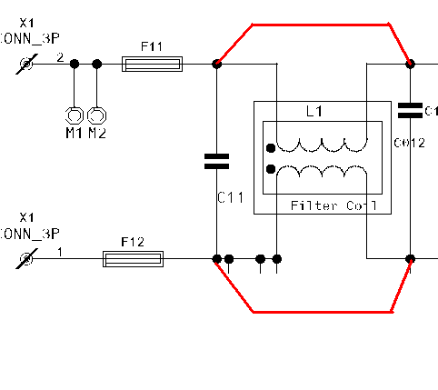
以下是CDT-15A电源滤波PCB板,是否我只要在2根红线位置焊2根线就可短接滤波线路?
[attachment=60141]
PMC TB2+ +  Melody H88MK2 + Spark CDT15A
HD600 + 欧博20b 耳放 + WK USB 解码器
只看该作者 46 发表于: 2010-02-08
Re:请教Jason:Re:真心求教贴- 别鄙视我, 对我的CDT-15A仍然心有不甘,计划再次摩机...(受了点刺激)

请教Jason:
以下是CDT-15A电源滤波PCB板,是否我只要在2根红线位置焊2根线就可短接滤波线路?
.......

要对着机器,才好确定,万一讲错了,就麻烦了。下图是最典型的EMI电路,你对着你的机器,应该可以看懂。红线就是短接了。

只看该作者 47 发表于: 2010-02-08
明白了,跟我的差不多,分别短接电感的火线IN和OUT;零线的IN和OUT就可以.
多谢!
PMC TB2+ +  Melody H88MK2 + Spark CDT15A
HD600 + 欧博20b 耳放 + WK USB 解码器
只看该作者 48 发表于: 2010-02-08
我以前对这些东西一窍不通,动手能力也是极有限。为了胆机我开始学习和炼手。一开始,就把我的前极给搞坏了,一台合并机也弄坏了。兄开始时,一定要小心,慢些没关系,人身安全和机器安全重要。不过EMI线路很简单,不必太害怕。祝兄好运!
只看该作者 49 发表于: 2010-02-08
LS胆管专家呀
快速回复
限100 字节
 
上一个 下一个