短消息
最新帖子
精华区
使用帮助
站内搜索
帖子
下拉
用户名
UID
电子邮箱
用户名
密 码
记住登录
登录
找回密码
注册
快捷通道
关闭
您还没有登录,快捷通道只有在登录后才能使用。
立即登录
还没有帐号? 赶紧
注册一个
三越网站
三越论坛
淘宝店
帖子
日志
用户
版块
群组
帖子
搜索
black
wind
水墨江南
三越音响
>
HiiFi乐园
>
>>>>>>赵兄久仰大名了,请帮忙看看H34II摩机 ..
发帖
回复
返回列表
上一页
1...
3
4
5
6
7
...9
下一页
到第
页
确认
新帖
15046
阅读
86
回复
>>>>>>赵兄久仰大名了,请帮忙看看H34II摩机方案,谢忙着指点
[复制链接]
上一主题
下一主题
杭州三潭印月
UID:78962
注册时间
2011-05-24
最后登录
2013-01-26
发帖
48
搜Ta的帖子
精华
0
访问TA的空间
加好友
用道具
初来乍到
加关注
发消息
只看该作者
40
发表于: 2011-06-02
Re:>>>>>>赵老师好
我家里什么银的丝,电源线,5年前就用过了,不过用在晶体管机器里。我住6楼,单独为音响申请了个电表,还挖地三尺做地线,再进表10平方线,从二楼两组到8平方一直到6楼。哈哈折腾过了,也慢慢理性起来了。
明白了什么机器,什么价位就出什么声。动手就图个享受过程。哈哈。不过好的电容还是需要试试的谢谢!!!
[ edit_post ]
共
条评分
回复
举报
sanyue
UID:4
注册时间
2002-08-15
最后登录
2026-04-18
发帖
126751
搜Ta的帖子
精华
154
访问TA的空间
加好友
用道具
管理员
加关注
发消息
只看该作者
41
发表于: 2011-06-02
呵呵,大动干戈。
共
条评分
享受生活,轻轻松松玩音响
玩音响,玩的就是电流和振动。
回复
举报
sanyue
UID:4
注册时间
2002-08-15
最后登录
2026-04-18
发帖
126751
搜Ta的帖子
精华
154
访问TA的空间
加好友
用道具
管理员
加关注
发消息
只看该作者
42
发表于: 2011-06-02
对声音的帮助是毋庸置疑的,呵呵
只是,5 年前的丝和现在的,会有相当的差别,那个时候,这个东西很少,呵呵
共
条评分
享受生活,轻轻松松玩音响
玩音响,玩的就是电流和振动。
回复
举报
likui8869
UID:69894
注册时间
2008-11-18
最后登录
2025-06-20
发帖
724
搜Ta的帖子
精华
0
访问TA的空间
加好友
用道具
高级会员
加关注
发消息
只看该作者
43
发表于: 2011-06-03
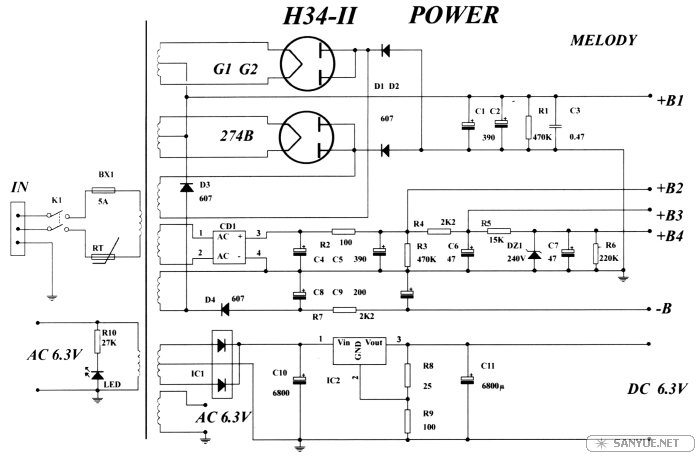
MELODY H34的电源电路图
图片:200507_5-3.gif
共
条评分
越烧越糊涂,越糊涂越烧
回复
举报
likui8869
UID:69894
注册时间
2008-11-18
最后登录
2025-06-20
发帖
724
搜Ta的帖子
精华
0
访问TA的空间
加好友
用道具
高级会员
加关注
发消息
只看该作者
44
发表于: 2011-06-03
放大级(功率放大级)电路图,注意+B电压和电源电路图的对应点,以便掌握高压主滤波电容和退耦电容是哪个。
[ edit_post ]
图片:200507_5-2.gif
共
条评分
越烧越糊涂,越糊涂越烧
回复
举报
likui8869
UID:69894
注册时间
2008-11-18
最后登录
2025-06-20
发帖
724
搜Ta的帖子
精华
0
访问TA的空间
加好友
用道具
高级会员
加关注
发消息
只看该作者
45
发表于: 2011-06-03
信号放大级(第一级)电路图,也是要注意+B电压和电源图的对应,掌握第一级退藕电容是哪个。
图片:200507_5-1.gif
共
条评分
越烧越糊涂,越糊涂越烧
回复
举报
likui8869
UID:69894
注册时间
2008-11-18
最后登录
2025-06-20
发帖
724
搜Ta的帖子
精华
0
访问TA的空间
加好友
用道具
高级会员
加关注
发消息
只看该作者
46
发表于: 2011-06-03
推动级的电路图请老赵补充,我没有。
共
条评分
越烧越糊涂,越糊涂越烧
回复
举报
杭州三潭印月
UID:78962
注册时间
2011-05-24
最后登录
2013-01-26
发帖
48
搜Ta的帖子
精华
0
访问TA的空间
加好友
用道具
初来乍到
加关注
发消息
只看该作者
47
发表于: 2011-06-04
谢谢likui8869指点
赵老师这个C10,C11应该是灯丝电容吧,一个是6800UF,还有是6800P??对应图片我是换了两个15000UF。可以吗?这么大对灯丝有影响吗?你有提到用一个15000UF的,不知道这么理解安装谢谢!!!
[ edit_post ]
共
条评分
回复
举报
杭州三潭印月
UID:78962
注册时间
2011-05-24
最后登录
2013-01-26
发帖
48
搜Ta的帖子
精华
0
访问TA的空间
加好友
用道具
初来乍到
加关注
发消息
只看该作者
48
发表于: 2011-06-05
还有赵老师这个33UF的电容是什么电路里的,正极是接地的,电压从可调电阻中间测出一边是15伏另一边有16。5伏左右怎么不一样。需要调整吗甚谢!!!
[ edit_post ]
共
条评分
回复
举报
sanyue
UID:4
注册时间
2002-08-15
最后登录
2026-04-18
发帖
126751
搜Ta的帖子
精华
154
访问TA的空间
加好友
用道具
管理员
加关注
发消息
只看该作者
49
发表于: 2011-06-06
回 48楼(杭州三潭印月) 的帖子
好久没有在研究这个机器了,还真是不记得了,呵呵
共
条评分
享受生活,轻轻松松玩音响
玩音响,玩的就是电流和振动。
回复
举报
发帖
回复
返回列表
上一页
1...
3
4
5
6
7
...9
下一页
到第
页
确认
http://www.sanyue.net/bbs
访问内容超出本站范围,不能确定是否安全
继续访问
取消访问
快速回复
限100 字节
您目前还是游客,请
登录
或
注册
进入高级模式
文字颜色
发 布
回复后跳转到最后一页
上一个
下一个
隐藏
快速跳转
文章系统
关于三越
三越新闻
音响知识
玩到精彩
网评社评
软件园地
音响社区
HiiFi乐园
音响健身坊
关闭
关闭
选中
1
篇
全选