论坛风格切换
  • 46240阅读
  • 20回复

teddy的官方网站 [复制链接]

上一主题 下一主题
只看该作者 10 发表于: 2012-11-17


Principle of operation


The TeddyReg is built as a combination of a linear regulator followed by a very powerful gyrator. The linear regulator operates as pre-regulator and provides a first level low frequency noise filtering and line regulation. Line regulation is the capability to maintain a constant output voltage level on the output channel of a power supply despite changes to the input voltage. The gyrator is a low pass filter that controls a transistor in a way that the transistor passes only low frequencies. Our goal is to make it an ultra low pass filter, that is, pass DC (zero Hz) only and filter anything else.


The first stage is a standard implementation of the LM317 (U1, C1, C2, R1, R2, and C3). Better implementations such as Tracking Pre-regulators (TPR), or ALWSR can be used, but I found no benefit in doing that (unless you already have them).
The gyrator consists of a 2nd order low pass filter. The first stage (R3, C4) uses a 100K + 22-33uF Tantalum capacitor which filters noise at the audible spectrum. R4 works with R3 as a voltage divider to create some dropout on the gyrator. This dropout is necessary for a proper operation of the transistors. The second stage (R5, C5) uses a 100K + 0.1uF Ceramic capacitor to filter high frequencies up to tens and even hundreds of MHz. Don't ask me why, but filtering noise at these frequencies which are clearly above the audible spectrum has a very important effect on the sound.
R6 is used to prevent oscillations. R7 is optional and is used to bias Q1 (slightly reducing the output impedance)
Most gyrators are using a bipolar transistor at the output. The output impedance of a gyrator is approximately the sum of the filter resistors divided by the transistor hfe (current gain). As an example, if we use a D44H11 with a current gain of 100 and two 100K resistors (R3, R5), the output impedance will be 2000 Ohm, which clearly too high. For this reason most gyrators use a much smaller resistor with a much larger capacitor. The disadvantage of such a solution is that large electrolytic capacitors have limited filtering capabilities in high frequencies. In many cases a Darlington transistor which has a much higher hfe is used. The Darlington combination presents however other problems. First problem is that its hfe increases with the current that passes between the collector and the Emitter, so actually with low currents the hfe is not large enough. Second problem is that the Vbe(voltage between the base and the emitter) of a bipolar transistor increases when the current increases, this by itself increases the output impedance. In a Darlington configuration there are two Vbe, therefore twice the impedance.
The solution used here is a combination of a JFET and bipolar power transistor. Unlike bipolar transistors, in a JFET there is no current passing between the gate and the source (the base and the emitter), which means no current through R5, and R6, and therefore large resistors can be used without affecting the output impedance. In addition the Vgs (Vbe) of the JFET is negative approximately canceling the Vbe of the power transistor.
享受生活,轻轻松松玩音响
玩音响,玩的就是电流和振动。
只看该作者 11 发表于: 2012-11-17


Building the TeddyReg


The total voltage dropout should ideally be distributed equally between the linear regulator and the gyrator, with at least 2.5V on the LM317 (or 2V for the 1086).
The output voltage of the Linear Regulator (Vlr)is (R2/R1 + 1) x 1.25
The output Voltage of the gyrator is approximately Vlr x R4 / (R3+R4)
R1 = 250R
R2 = see formula above
R3, R13 = 100K
R4, R14 = see formula above
R5 = 100-150K
R6 = 200-2000R
R7 = 2-3K optional
C1 = 0.1uF X7R Ceramic (optional)
C2 = 10-20uF Tantalum
C3 = 10-20uF Tantalum
C4 = 22-33uF Tantalum
C5 = 0.1-0.3uF X7R Ceramic
C6 = 10-20uF see component choice below
C7 = optional see component choice below
Q1 = 2SK117GR
Q2 = D44H11
Q3 = ZTX651 or almost any mid power NPN bipolar
U1 = LM317/LT1086
R13, R14, and Q3 are the accelerator circuit and are optional.
As an example, to obtain 24V from a 33V rail, it is recommended to have 4.5V on the LM317 and 4.5V on the D44H11. To obtain 28.5V at the output of the LM317 R2 should be approximately 5450 Ohm.
In order to reduce it to 24V by the gyrator, R4 should be approximately 526K.
The actual output voltage may vary in +/- 1V due to variations in the JFET Vgs
For the negative-rail version all capacitor polarities need to be reversed, U1 is LM337, Q1 is J74 or other p-channel (pay attention to pin layout), Q2 is D45H11, and Q3 is ZTX751 or any mid-power PNP transistor.
享受生活,轻轻松松玩音响
玩音响,玩的就是电流和振动。
只看该作者 12 发表于: 2012-11-17


The accelerator


The basic circuit has a relatively low startup time of several seconds. This is due to the time it takes to charge a 22-33uF capacitor through a 100K resistor. The accelerator circuit consists of a transistor and two resistors (Q3 R13, R14) which are equal in value to the voltage divider in the first low pass filter. The idea is that the transistor conducts as long as the capacitor is not charged. During this time it bypasses the 100K resistor and charges the capacitor. The current through the transistor is hfe times the current through the 100K resistor, which means it charges, depending on the transistor being used, about 200 times faster.


Component choice


The choice of component is very important, especially in the gyrator part.
The Tantalum capacitor should be of high quality, I recommend using brands like Kemet, AVX, Panasonic, Vishay, etc. Low quality Tantalum capacitors tend to leak, causing performance degradation or even changes in output voltage. Mil-spec axial Tantalum capacitors perform very well in this position.
The Ceramic capacitor should be X7R or NPO/COg. NPO/COg are better but more difficult to source, especially in these values, SMT versions are more common. In any case X7R are good enough.
The capacitor at the output of the gyrator has an effect on the tonal balance and can be used for fine tuning according to your preference and the rest of your system. 10-20uF Tantalum will give a warm sound, a 1-10uF film is a good all rounder. A 0.01-0.1 will give very transparent and accurate sound. Combinations work as well 10uF Tantalum bypassed with 0.01-0.1uF film gives the best of both worlds.
The D44H11 is the best choice I've found for the output transistor. It has good power handling and works well at high frequencies. For low current and low dropout applications smaller transistors such as the ZTX651 (or ZTX751 for the negative version) can be used. For the JFET, transistors it is important to check that it can withstand the required voltage. Toshiba 2SK117 and 2SK170 are very good. The 2SK117 withstand higher voltage. The 2sk170 has lower noise and has a p-channel (j74) version for negative regulators. All versions (Y, GR, BL) can be used.


Credits and links


This circuit was designed with the help of members of the Pinkfishmedia DIY forum. Many thanks to those who contributed, tested, and provided feedback. More info can be found in the following PFM threads:
http://www.pinkfishmedia.net/forum/showthread.php?t=36174
http://www.pinkfishmedia.net/forum/showthread.php?t=39990
http://www.pinkfishmedia.net/forum/showthread.php?t=54640


Note


This circuit is published with the intention that DIY-ers can build this circuit for themselves or their friends for non-profit use. There is no patent or intellectual property but I expect that it will not be used to create commercial products competing with my own commercial products without my authorization.
享受生活,轻轻松松玩音响
玩音响,玩的就是电流和振动。
只看该作者 13 发表于: 2012-11-17
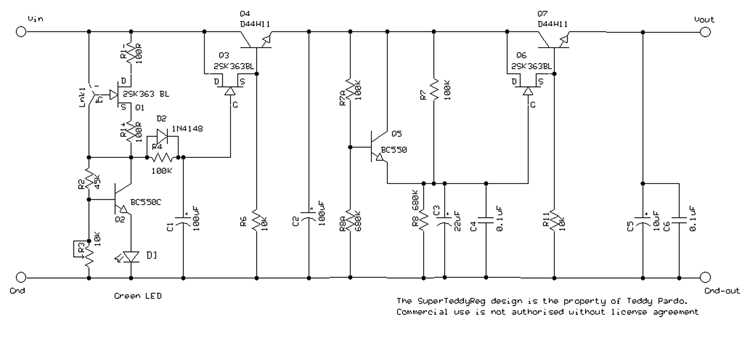
SuperTeddyReg
The SuperTeddyReg is an evolution of the TeddyReg. Like the TeddyReg it consists of two stages, a voltage regulator and a low pass filter. The voltage regulator is in charge of providing a stable voltage regardless of variations in the input voltage due to load or mains voltage variations. In addition it reduces the ripple.
The low pass filter stage cleans the mains noise, and noise generated during the AC rectification process. The ripple at the output of the rectification bridge and smoothing capacitors has a saw-tooth form and can reach, depending on the quality of the capacitors and the load, tens to hundreds of mV. A signal with saw-tooth form is actually a combination of sine waves signals at higher frequencies. This ripple is therefore equivalent to noise at all audio frequencies and above, causing coloration and lose of details. The low pass filter stage reduces this noise to a very low level.
The SuperTeddyReg was designed to allow positive and negative versions using the same PCB.


The circuit




































































The regulator stage


The regulator stage consists of a current source and a bipolar transistor configured as a voltage reference(acting like a Zener). Unlike the TeddyReg, the SuperTeddyReg is no longer using a the LM317 for the regulator stage. Although it provides a good level of voltage regulation, the LM317 is very noisy, and even the following filter stage is unable to completely filter this noise.

The Current Source
Q1 and R1 act as current source (for the positive version Lnk1 should be positioned at the "+" position. Use R1+ and a link instead of R1-). With a 2SK363BL and 100R the current is around 1.5-2mA.

The Voltage Reference
Q2, D1, R2, and R3 act as voltage reference. I have tried various configurations, and found that this configuration performs better than anything else. Zener diodes are extremely noisy, even monolithic voltage references and shunt regulators such as the LM329 were too noisy.

The voltage at the base of Q2 is about 2.42V (the LED voltage + the transistor Vbe), which means that about 0.57mA flows through R3 (when set to 4.2K). The voltage on the Collector of Q2 is equal to the Vb + Ir3 x R2. Using 42K for R2 we get 2.4 + 0.00057x42000 equals around 27V. In practice the voltage varies and a 10K trimmer is recommended for fine tuning.

Comparing to a Zener diode or monolithic voltage references, a transistor based voltage reference has high output impedance, but since there is no current through the gate of Q3 the output impedance has no effect in this circuit. On the other hand this voltage reference has a significantly lower noise level which is much more important in this context.

The voltage reference is followed by a first order low pass filter Gyrator that cleans part of the ripple. R6 is a bias resistor, it should be set to allow 1-3mA through Q3. The purpose of this resistor is to force Q3 into its linear region where it performs better.

The diode is used to accelerate the charging of C1.


The filter stage


The filter stage is a first order low pass filter consisting of R7, C3 and C4, and Q6 and Q7 acting as Gyrator.

R7 and R8 make a voltage divider and should be calculated to allow a minimal dropout of  2V on the filter stage. The negative Vgs of Q6 is approximately equal to the positive Vbe of Q7, which means that the output voltage is approximately the same as the voltage of the voltage divider.

R7a, R8a, and Q5 are optional and act as accelerator, that is, they charge C3 rapidly and disconnect as soon as C3 reaches the final voltage defined by R7 and R8. The accelerator circuit is required when powering DACs, clocks, and other CD circuits where start time is critical.





Short circuit protection


A 2SK363BL has a current limit of about 12mA, and the D44H11 has a hfe of about 200, the combination of the two allows a maximum current of around 2.5A. The D44H11 can withstand up to 10A and 50W so in practice the circuit is protected against short circuits at the output (I have tried it...). Note however that using jfets with higher Idss will allow higher currents.


Negative version


The SuperTeddyReg PCB was designed to allow implementation of either positive or negative version on the same PCB. For the negative version:

- Use a wire link instead of R1+
- Use a wire link in the "-" position of Lnk1
- Reverse the polarity of all electrolytic and Tantalum capacitors
- Reverse the LED polarity
- Reverse Q1
- Use P channel  jfet for Q3 and Q6 (e.g. Toshiba J74).
- Use BC560C for Q2
- Use D45H11 for Q4 and Q7
- Use BC560 for Q5


Sound Quality


The sound of the SuperTeddyReg is better than the TeddyReg, and better than anything else I have tried so far (I keep saying so with every new version...). The effect is all over the spectrum but, as could be expected from the measurements, especially in low and mid-low frequencies. Piano has more presence and sounds more natural, drums have even more punch and dynamics, and everything is more focused and involving.

The SuperTeddycap can be ordered as built and tested modules or as PCB, ordering info


Construction tips


The SuperTeddyReg is extremely sensitive to component choice, I therefore strongly recommend buying the built-and-tested version. The following tips may help you select the right components in case you decide to built it yourself.


jfet transistors


I have seen several series of defective/poor quality jfet transistors, and discovered it only while using noise measurement equipment. These transistors usually had an Idss outside the specifications. Test the voltage between the gate and source of the jfet transistors, it should be negative and between 100-300mV.


Capacitors


C3 is the most critical capacitor. Although you are welcome to experiment, I have found that mil-spec axial Tantalum perform the best, you need the Dry type, not the Wet (all the Wet the I've tried are more expensive and have higher leakage current).
Here again, not every dry mil-spec axial capacitor performs the same, and you need low leakage capacitors. I have measured the leakage current of many capacitors and found that the blue Vishay M39003 perform very well. Alternatively, a pair of 10uF Tantalum SMT can be used, one on top of the PCB and another below.

For the electrolytic capacitors I often use Rubycon ZLH.

The ceramic capacitor should be X7R or COG/NPO. I often use SMT capacitors in this position.

Don't use unbranded Tantalum capacitors (unless you can measure their leakage voltage). Not only that they don't sound good they can explode and blow other components. AVX are my preferred, and AVX SMT are very good.  


Resistors


I use good quality 1% 0.25W metal film resistors. Since the calculation of R3 is quite complex, I recommend using a 10K trimmer to set the exact value.

Assuming a 10K trimmer, R2 should be calculated as follows:

- For output voltage between 20-30V use around 50K
- For output voltage between 10-20V use around 25K
- For output voltage below 10V use around 10K

R8 and R8A should be calculated to allow at least 2V dropout.
The dropout on the second stage (Vdo) can be calculated using the following formula:

Vdo = Vout / ((R7+R8)/R7) -1)

Using 100K for R7

Vdo = 100 * Vout / R8

or

R8 = 100 * Vout / Vdo

For a dropout of 2.5V

R8 = 40 * Vout

Where R8 is in Kilo Ohm


The SuperTeddyReg design is the property of Teddy Pardo and is published for non-commercial use only.

享受生活,轻轻松松玩音响
玩音响,玩的就是电流和振动。
只看该作者 14 发表于: 2012-11-17


Price:

59 USD

Shipping:

8 USD


  
  
For prices in Euro or GBP, and for CC payments click here

Please specify input/output voltage on your order




The SuperTeddyReg is an ultra low noise voltage regulator that can be used for various applications such as audio preamplifiers, CD players (analogue stages and DAC), streamers (e.g. squeezbox), and many more.
The SuperTeddyReg is a multi stage regulator consisting of a voltage reference followed by a first and second order Gyrator low-pass filters. Read more...
It is possible to buy the SuperTeddyReg built and tested (use the buy Now button above) or as bare PCB. Kits are not available.
Note that the picture above is for general description and components may vary according to circuit evolution and component availability

Bare PCB price is 8 USD        

Shipping is via standard air-mail services and usually takes 1-2 weeks. Please contact me if you prefer shipping via EMS
* Current limit depends on the jfet version being used. Please specify if you need a current higher than 1A.


Specifications


Output voltage
3-35V


Minimal dropout
5V


Current limit*
2A

享受生活,轻轻松松玩音响
玩音响,玩的就是电流和振动。
只看该作者 15 发表于: 2012-11-17
大图

[attachment=96206]
享受生活,轻轻松松玩音响
玩音响,玩的就是电流和振动。
只看该作者 16 发表于: 2012-11-17
线材:


All power supplies are equipped with the necessary interconnect cables to connect them to a Naim preamplifier or CD player. If you need additional cables (see use cases below) we can provide good quality cables at a reasonable price. These cables are a replacement for the Naim Snaic cables.

All cables are screened, made of silver plated PTFE insulated wires*, capacitance is around 13pF/ft, and resistance is also very low, around 10 milliohm/ft. Connectors are the same as the original Naim Snaic cables.

All cables are 1m length, please let us know if you need a different length.
* The NAC52/252 and SNAXO/SuperLine Burndys are made of individually screened twisted pairs of copper wires.
Examples where additional cables are required:


- In order to connect a Naim integrated amplifier such as the Nait or SuperNait an additional 4-pin cable is required.
- In order to connect a phono stage such as the StageLine a 4-pin to 5-pin cable is required
- In order to connect a Headline to a Hi-Cap output of a TeddyCap a 2-pin to 5-pin cable is required

Shipping is via regular post and usually takes 1-2 weeks. Please contact us if you prefer shipping via EMS (around 25 USD and 3-4 business days)

5-pin DIN Cable 69 USD  
4-pin DIN Cable69 USD  
4 to 5 pin DIN Cable 69 USD  
XPS Cable 259 USD  
Snaxo/SuperLine Burndy Cable 199 USD  
NAC52-Burndy Cable 199 USD  
NAC252-Burndy Cable 199 USD  
75 ohm digtal Cable with WBT NextGen connectors119 USD  
[img]https://www.paypalobjects.com/en_US/i/scr/pixel.gif[/img] [img]http://teddypardo.com/images/Cables-RCA-DIN_Small.jpg[/img]RCA-DIN audio cable with WBT NextGen connectors 216 USD  
[img]https://www.paypalobjects.com/en_US/i/scr/pixel.gif[/img] [img]http://teddypardo.com/images/Cables-RCA-RCA_Small.jpg[/img]RCA Audio cable pair with WBT NextGen connectors 216 USD   [img]https://www.paypalobjects.com/en_US/i/scr/pixel.gif[/img]
享受生活,轻轻松松玩音响
玩音响,玩的就是电流和振动。
只看该作者 17 发表于: 2012-11-17
大图

[attachment=96207]

[attachment=96208]

[attachment=96209]

[attachment=96210]
享受生活,轻轻松松玩音响
玩音响,玩的就是电流和振动。
只看该作者 18 发表于: 2012-11-17
大图
[attachment=96211]
享受生活,轻轻松松玩音响
玩音响,玩的就是电流和振动。
只看该作者 19 发表于: 2012-11-17
大图

[attachment=96214]
享受生活,轻轻松松玩音响
玩音响,玩的就是电流和振动。
快速回复
限100 字节
 
上一个 下一个